Debugging

Ardep v2.0.0 and later

Warning

The gdb version provided by the zephyr-sdk does not work correctly with the Black Magic Probe.

Therefore the west debug command will not work.

Instead, use the gdb-multiarch or arm-none-eabi-gdb you installed in the Getting Started guide.

Note

Depending on you system, you might have gdb-multiarch or arm-none-eabi-gdb installed. Both work the same way. Just substitute the command name accordingly.

Ardep v2.0.0 and later come with an on-board debugger (OBD) based on the Black Magic Probe (BMP) project.

This allows for easy debugging and flashing without the need for an external debug probe.

For an overview of the host interface, see On-Board Debugger (OBD).

After you connected the debugger to the host via USB-C, start the debugger session with arm-none-eabi-gdb /path/to/build/zephyr/zephyr.elf and run the following instructions to correctly configure the debugger:

target extended-remote /dev/ttyACM0

monitor auto_scan

attach 1

Replace /dev/ttyACM0 with the correct device node for your system.

A gdbinit script file is included in the root of the repository as debug.gdbinit. You can use it to automate the startup process with arm-none-eabi-gdb -x debug.gdbinit /path/to/build/zephyr/zephyr.elf.

See the BMP Guide for more information.

Firmware Updates

The Black Magic Probe firmware can be updated using the dedicated bmputil-cli utility or an external programmer.

bmputil-cli

  • Install the utility following the official upgrade guide.

  • With the debugger connected, inspect the current firmware revision:

    bmputil-cli probe info
    
  • Upgrade to the latest release:

    bmputil-cli probe update
    

    Select Black Magic Debug for BMP (ST and ST-clones targets) when prompted for the firmware variant and Flash to probe for the action.

  • Repeat bmputil-cli probe info to confirm that the new firmware version is active.

  • To flash a specific release or custom build, pass the firmware binary path to bmputil-cli probe update.

Manual Update via External Debug Probe

Note

This method also supports flashing the bootloader.

A Tag-Connect footprint labeled DEBUGGER is located on the back of the board for in-circuit programming with an external debugger. Use any SWD-compatible debugger to program the binaries at the following offsets:

  • Firmware image at 0x08002000

  • Bootloader image at 0x08000000

Obtaining Firmware Images

Pre-built Binaries

Download the latest release from the Black Magic Probe GitHub repository.

This board requires the release named blackmagic-native-st-clones.

Build from Source

Follow the upstream getting started guide to build the probe firmware with the following changes:

  • Configure the build with the stlink.ini cross-file

  • Add -Dbmd_bootloader=true to the build setup step to enable building of the bootloader

git clone https://github.com/blackmagic-debug/blackmagic.git
cd blackmagic
meson setup build --cross-file=cross-file/stlink.ini -Dbmd_bootloader=true
meson compile -C build
meson compile -C build boot-bin

Ardep v1.0.0

The following section describes how to use an on chip debugger with ardep.

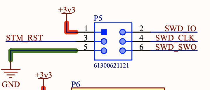
Connect a debug probe

Connect a debug probe to the SWD pins of the ARDEP board.

measurement

Pin one should only be connected to a voltage measuring pin (if required) not to power the board.

For example for an ST-Link V2 you can connect the following pins:

  • SWDIO to pin 2

  • SWCLK to pin 4

  • GND to pin 5

  • RST to pin 3

Flash using openocd

To flash the board using openocd you can use the following command:

west flash --runner openocd

Debug using openocd

To debug the board using openocd you can use the following command:

west debug --runner openocd