Power IO Inputs

The Power IO shield offers 6 high-voltage-capable digital inputs, which can be accessed via a spring terminal block.

../../../../../_images/inputs.png

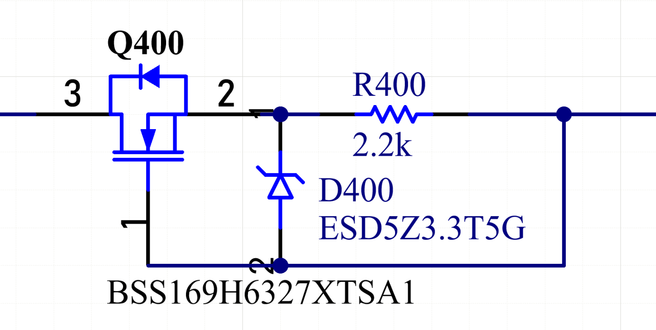
The input channels are implemented using a ULN2002 Darlington transistor array to provide a reasonable threshold voltage of ~10V. In addition, a 100V depletion-mode N-channel MOSFET is used as a high-voltage current source to limit each channel’s input current to less than 2 mA, well below the ULN2002’s maximum continuous base current of 25mA.

../../../../../_images/mosfet.png

The 6 input channels are connected to the \(I^2C\) port expander as indicated in the table below. A high voltage at an input channel pulls the respective port expander-pin low, resulting in an open-collector behaviour.

Port Expander Mapping

IO

Port expander port

IN 0

GPB 0

IN 1

GPB 1

IN 2

GPB 2

IN 3

GPB 3

IN 4

GPB 4

IN 5

GPB 5